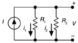
Seja uma fonte de corrente contínua em paralelo com dois resistores (R1 e R2)

Seja uma fonte de corrente contínua em paralelo com dois resistores (R1 e R2)
FEPESE 2002 - QUESTÃO 46
Seja uma fonte de corrente contínua em paralelo com dois resistores (R1 e R2)

INDAGACAO

Assinale a alternativa que calcula corretamente a  corrente no resistor R1.

a. I1 = I × R1 / (R1 + R2)

b. I1 = I × R2 / (R1 + R2)

c. I1 = I × (R1 + R2) / R1

d. I1 = I × (R1 + R2) / R2

e. I1 = I × R1 × R2 / (R1 + R2)

QUESTÃO ANTERIOR:

GABARITO:
b. I1 = I × R2 / (R1 + R2)

RESOLUÇÃO:
Não temos resolução para essa questão! Você sabe explicar? Copie o link dessa página e envie sua resolução clicando AQUI!

PRÓXIMA QUESTÃO:

QUESTÃO DISPONÍVEL EM:
Nome

curiosidades,2,enade,23,exercícios,4,inglês,1,português,1,provas,82,provas unicesumar,25,questão albert einstein,50,questão analista em tecnologia da informação,76,questão biomedicina,40,questão cfc,100,questão consulplan,168,questão consultor do tesouro estadual,27,questão cremern,27,questão da agirh,25,questão da albert einstein,121,questão da ameosc,15,questão da amrigs,10,questão da avança sp,88,questão da cesgranrio,70,questão da cespe,1,questão da espcex,397,questão da espm,80,questão da famema,168,questão da famerp,212,questão da fapese,10,questão da fatec,217,questão da fcc,120,questão da fepese,205,questão da fgv,883,questão da fmabc,90,questão da fmj,120,questão da fmp,60,questão da fuvest,633,questão da mackenzie,380,questão da oab,466,questão da obmep,162,questão da puc-rj,81,questão da reis&reis,20,questão da santa casa,259,questão da ucpel,64,questão da uece,302,questão da ueg,168,questão da uel,48,questão da uema,159,questão da uesb,60,questão da ufgd,447,questão da ufpel,107,questão da ufrgs,325,questão da ufu,94,questão da unesc,12,questão da unesp,294,questão da unicamp,227,questão da unicesumar,175,questão da uniceub,108,questão da unichristus,54,questão da unifenas,94,questão da unifesp,473,questão da unifor,195,questão da unioeste,164,questão da unirv,147,questão da unisc,45,questão da unitins,157,questão da usp,368,questão de administração,156,questão de administração pública,57,questão de agroindústria,1,questão de agronegócio,29,questão de agronomia,75,questão de alemão,25,questão de arquitetura,10,questão de arquitetura e urbanismo,64,questão de artes,60,questão de artes visuais,25,questão de atualidades,25,questão de biblioteconomia,55,questão de biologia,479,questão de biomedicina,68,questão de ciência da computação,41,questão de ciências,42,questão de ciências biológicas,39,questão de ciências contábeis,99,questão de ciências da natureza,229,questão de ciências econômicas,105,questão de ciências humanas,214,questão de ciências sociais,106,questão de comportamento organizacional,29,questão de concurso,2680,questão de conhecimentos gerais,8,questão de contabilidade,228,questão de design,126,questão de direito,900,questão de direito administrativo,12,questão de direito civil,15,questão de direito constitucional,16,questão de direito penal,28,questão de direito processual penal,21,questão de direito tributário,16,questão de economia,44,questão de economia empresarial,48,questão de educação física,164,questão de enfermagem,85,questão de engenharia,16,questão de engenharia ambiental,55,questão de engenharia civil,46,questão de engenharia elétrica,46,questão de engenharia florestal,55,questão de engenharia mecânica,45,questão de engenharia química,46,questão de ensino religioso,10,questão de espanhol,407,questão de estatística,24,questão de filosofia,215,questão de física,686,questão de fonoaudiologia,88,questão de francês,68,questão de gastronomia,49,questão de geografia,619,questão de gestão ambiental,46,questão de gestão comercial,28,questão de gestão de recursos humanos,40,questão de gestão financeira,27,questão de gestão hospitalar,25,questão de gestão pública,27,questão de história,575,questão de informática,39,questão de inglês,776,questão de italiano,25,questão de legislação,56,questão de literatura,96,questão de literatura brasileira,22,questão de marketing,44,questão de matemática,1671,questão de matemática financeira,27,questão de medicina,1501,questão de medicina veterinária,79,questão de música,106,questão de planejamento estratégico para cenários,27,questão de português,1400,questão de processos gerenciais,23,questão de química,604,questão de raciocínio lógico,45,questão de radiologia,74,questão de relações internacionais,60,questão de saúde pública,25,questão de secretariado executivo,56,questão de serviço social,53,questão de sociologia,82,questão de turismo,107,questão de ufgd,87,questão de vestibular,10751,questão de zootecnia,84,questão design de moda,27,questão do cefetmg,274,questão do cfc,148,questão do enade,4742,questão do enare,41,questão do encceja,357,questão do enem,1971,questão do ifpi,753,questão do ifsul,1,questão do ita,287,questão do mackenzie,68,questão do revalida,586,questão engenharia da computação,46,questão engenharia de alimentos,46,questão engenharia de controle e automação,17,questão engenharia de produção,44,questão estética e cosmética,29,questão farmácia,78,questão física médica,25,questão fisioterapia,79,questão fundatec,60,questão gs,20,questão iave,30,questão idcap,39,questão ieses,24,questão ioplan,25,questão jornalismo,57,questão mackenzie,88,questão máxima,50,questão medicina,97,questão modelagem de processos,21,questão nível superior,39,questão nutriçao,154,questão oab,166,questão objetiva,20,questão odontologia,162,questão pedagogia,34,questão psicologia,91,questão publicidade propaganda,57,questão química,85,questão serviço social,57,questão sistemas de informação,26,questão técnico de laboratório,10,questão técnico enfermagem,55,questão tecnologia em agroindustria,25,questão tecnologia em agronegócio,27,questão tecnologia em gestão ambiental,26,questão teologia,54,questão terapia ocupacional,26,questão ucb,1,questão uel,58,questão uenp,65,questão uepg,65,questão unesp,120,questão unicentro,101,questão unip,99,questão unirg,174,questão upe,240,questão uri,84,questões,22076,
ltr
item
Questões com Gabarito: Seja uma fonte de corrente contínua em paralelo com dois resistores (R1 e R2)
Seja uma fonte de corrente contínua em paralelo com dois resistores (R1 e R2)
Seja uma fonte de corrente contínua em paralelo com dois resistores (R1 e R2)
https://blogger.googleusercontent.com/img/b/R29vZ2xl/AVvXsEhvQ7g4nIKIqQTb5piDhe29hZRSzQoeqVtH8TBtExazzrd9BpGyOOGQwtQsIBjgz_b7xRFcnTUwHJZQ8v7YgtZOfLkBTh5V2tQ8d5wqHYuu5rkyJMDZDNVsvs9TahA9-kyYaPq3v0F11o17WumLr8P546IZu69Bzlq2rRGjtDxKJfRy5Awv77fsay6E4g/s16000/INDAGACAO.jpg
https://blogger.googleusercontent.com/img/b/R29vZ2xl/AVvXsEhvQ7g4nIKIqQTb5piDhe29hZRSzQoeqVtH8TBtExazzrd9BpGyOOGQwtQsIBjgz_b7xRFcnTUwHJZQ8v7YgtZOfLkBTh5V2tQ8d5wqHYuu5rkyJMDZDNVsvs9TahA9-kyYaPq3v0F11o17WumLr8P546IZu69Bzlq2rRGjtDxKJfRy5Awv77fsay6E4g/s72-c/INDAGACAO.jpg
Questões com Gabarito
https://www.questoes.indagacao.com/2022/08/seja-uma-fonte-de-corrente-continua-em-paralelo-com-dois-resistores-r1-e-r2.html
https://www.questoes.indagacao.com/
https://www.questoes.indagacao.com/
https://www.questoes.indagacao.com/2022/08/seja-uma-fonte-de-corrente-continua-em-paralelo-com-dois-resistores-r1-e-r2.html
true
2441277946171097403
UTF-8
Todas as Postagens Não foram encontradas postagens VEJA TODOS Leia Mais Resposta Cancelar resposta Deletar Por Home PÁGINAS POSTS Veja todos RECOMENDADOS PARA VOCÊ Tudo Sobre ARQUIVOS BUSCAR TODOS OS POSTS >Nenhuma postagem foi encontrada Voltar para Home Domingo Segunda Terça Quarta Quinta Sexta Sábado Dom Seg Ter Qua Qui Sex Sáb Janeiro Fevereiro Março Abril Mai Junio Julho Agosto Setembro Outubro Novembro Dezembro Jan Fev Mar Abr Mai Jun Jul Ago Set Out Nov Dez Agora mesmo 1 minuto atrás $$1$$ minutos agora 1 hora atrás $$1$$ horas atrás Ontem $$1$$ dias atrás $$1$$ semanas atrás mais de 5 semanas atrás Seguidores Seguir CONTEÚDO PREMIUM BLOQUEADO PASSO 1: Compartilhar em uma rede social PASSO 2: Clique no link na sua rede social Copiar todo o código Selecionar todo o código Todos os códigos foram copiados Não é possível copiar os códigos / textos, pressione [CTRL] + [C] para copiar Tabela de conteúdo